Contact Apex Fasteners

APEX offers full-service design, engineering and manufacturing to your specifications. Our custom fasteners have enjoyed great success supplying all types and sizes of businesses in most sectors of industry.
Contact Apex Fasteners with your hardware requirements

Authorized Distributor for:

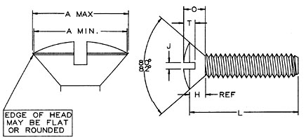
82 Deg Oval Machine Screws

ovalindx.jpg
ovaldrw.jpg

Product Number Thread Size A H O J T Length
PMOMS0820256018 256 0.147 - 0.172 0.051* (ref.) 0.063 - 0.080 0.023 - 0.031 0.037 - 0.045 0.187 (+ 0.000/- 0.020)
PMOMS0820256025 256 0.147 - 0.172 0.051* (ref.) 0.063 - 0.080 0.023 - 0.031 0.037 - 0.045 0.250 (+ 0.000/- 0.020)
PMOMS0820256031 256 0.147 - 0.172 0.051* (ref.) 0.063 - 0.080 0.023 - 0.031 0.037 - 0.045 0.312 (+ 0.000/- 0.020)
PMOMS0820256037 256 0.147 - 0.172 0.051* (ref.) 0.063 - 0.080 0.023 - 0.031 0.037 - 0.045 0.375 (+ 0.000/- 0.020)
PMOMS0820256043 256 0.147 - 0.172 0.051* (ref.) 0.063 - 0.080 0.023 - 0.031 0.037 - 0.045 0.437 (+ 0.000/- 0.020)
PMOMS0820256050 256 0.147 - 0.172 0.051* (ref.) 0.063 - 0.080 0.023 - 0.031 0.037 - 0.045 0.500 (+ 0.000/- 0.020)
PMOMS0820256056 256 0.147 - 0.172 0.051* (ref.) 0.063 - 0.080 0.023 - 0.031 0.037 - 0.045 0.562 (+ 0.000/- 0.030)
PMOMS0820256062 256 0.147 - 0.172 0.051* (ref.) 0.063 - 0.080 0.023 - 0.031 0.037 - 0.045 0.625 (+ 0.000/- 0.030)
PMOMS0820256075 256 0.147 - 0.172 0.051* (ref.) 0.063 - 0.080 0.023 - 0.031 0.037 - 0.045 0.750 (+ 0.000/- 0.030)
PMOMS0820440012 440 0.195 - 0.225 0.067* (ref.) 0.084 - 0.104 0.031 - 0.039 0.049 - 0.059 0.125 (+ 0.000/- 0.020)
PMOMS0820440015 440 0.195 - 0.225 0.067* (ref.) 0.084 - 0.104 0.031 - 0.039 0.049 - 0.059 0.156 (+ 0.000/- 0.020)
PMOMS0820440018 440 0.195 - 0.225 0.067* (ref.) 0.084 - 0.104 0.031 - 0.039 0.049 - 0.059 0.187 (+ 0.000/- 0.020)
PMOMS0820440025 440 0.195 - 0.225 0.067* (ref.) 0.084 - 0.104 0.031 - 0.039 0.049 - 0.059 0.250 (+ 0.000/- 0.020)
PMOMS0820440031 440 0.195 - 0.225 0.067* (ref.) 0.084 - 0.104 0.031 - 0.039 0.049 - 0.059 0.312 (+ 0.000/- 0.020)
PMOMS0820440037 440 0.195 - 0.225 0.067* (ref.) 0.084 - 0.104 0.031 - 0.039 0.049 - 0.059 0.375 (+ 0.000/- 0.020)
PMOMS0820440050 440 0.195 - 0.225 0.067* (ref.) 0.084 - 0.104 0.031 - 0.039 0.049 - 0.059 0.500 (+ 0.000/- 0.020)
PMOMS0820440056 440 0.195 - 0.225 0.067* (ref.) 0.084 - 0.104 0.031 - 0.039 0.049 - 0.059 0.562 (+ 0.000/- 0.030)
PMOMS0820440062 440 0.195 - 0.225 0.067* (ref.) 0.084 - 0.104 0.031 - 0.039 0.049 - 0.059 0.625 (+ 0.000/- 0.030)
PMOMS0820440075 440 0.195 - 0.225 0.067* (ref.) 0.084 - 0.104 0.031 - 0.039 0.049 - 0.059 0.750 (+ 0.000/- 0.030)
PMOMS0820440100 440 0.195 - 0.225 0.067* (ref.) 0.084 - 0.104 0.031 - 0.039 0.049 - 0.059 1.000 (+ 0.000/- 0.030)
PMOMS0820440112 440 0.195 - 0.225 0.067* (ref.) 0.084 - 0.104 0.031 - 0.039 0.049 - 0.059 1.125 (+ 0.000/- 0.060)
PMOMS0820440118 440 0.195 - 0.225 0.067* (ref.) 0.084 - 0.104 0.031 - 0.039 0.049 - 0.059 1.187 (+ 0.000/- 0.060)
PMOMS0820440125 440 0.195 - 0.225 0.067* (ref.) 0.084 - 0.104 0.031 - 0.039 0.049 - 0.059 1.250 (+ 0.000/- 0.060)
PMOMS0820440137 440 0.195 - 0.225 0.067* (ref.) 0.084 - 0.104 0.031 - 0.039 0.049 - 0.059 1.375 (+ 0.000/- 0.060)
PMOMS0820440150 440 0.195 - 0.225 0.067* (ref.) 0.084 - 0.104 0.031 - 0.039 0.049 - 0.059 1.500 (+ 0.000/- 0.060)
PMOMS0820440175 440 0.195 - 0.225 0.067* (ref.) 0.084 - 0.104 0.031 - 0.039 0.049 - 0.059 1.750 (+ 0.000/- 0.060)
PMOMS0820448015 448 0.195 - 0.225 0.067* (ref.) 0.084 - 0.104 0.031 - 0.039 0.049 - 0.059 0.156 (+ 0.000/- 0.020)
PMOMS0820448025 448 0.195 - 0.225 0.067* (ref.) 0.084 - 0.104 0.031 - 0.039 0.049 - 0.059 0.250 (+ 0.000/- 0.020)
PMOMS0820632025 632 0.244 - 0.279 0.083* (ref.) 0.105 - 0.128 0.039 - 0.048 0.060 - 0.074 0.250 (+ 0.000/- 0.020)
PMOMS0820632031 632 0.244 - 0.279 0.083* (ref.) 0.105 - 0.128 0.039 - 0.048 0.060 - 0.074 0.312 (+ 0.000/- 0.020)
PMOMS0820632037 632 0.244 - 0.279 0.083* (ref.) 0.105 - 0.128 0.039 - 0.048 0.060 - 0.074 0.375 (+ 0.000/- 0.020)
PMOMS0820632050 632 0.244 - 0.279 0.083* (ref.) 0.105 - 0.128 0.039 - 0.048 0.060 - 0.074 0.500 (+ 0.000/- 0.020)
PMOMS0820632062 632 0.244 - 0.279 0.083* (ref.) 0.105 - 0.128 0.039 - 0.048 0.060 - 0.074 0.625 (+ 0.000/- 0.030)
PMOMS0820632075 632 0.244 - 0.279 0.083* (ref.) 0.105 - 0.128 0.039 - 0.048 0.060 - 0.074 0.750 (+ 0.000/- 0.030)
PMOMS0820632100 632 0.244 - 0.279 0.083* (ref.) 0.105 - 0.128 0.039 - 0.048 0.060 - 0.074 1.000 (+ 0.000/- 0.030)
PMOMS0820632112 632 0.244 - 0.279 0.083* (ref.) 0.105 - 0.128 0.039 - 0.048 0.060 - 0.074 1.125 (+ 0.000/- 0.060)
PMOMS0820632125 632 0.244 - 0.279 0.083* (ref.) 0.105 - 0.128 0.039 - 0.048 0.060 - 0.074 1.250 (+ 0.000/- 0.060)
PMOMS0820632175 632 0.244 - 0.279 0.083* (ref.) 0.105 - 0.128 0.039 - 0.048 0.060 - 0.074 1.750 (+ 0.000/- 0.060)
PMOMS0820832025 832 0.292 - 0.332 0.100* (ref.) 0.126 - 0.152 0.045 - 0.054 0.072 - 0.088 0.250 (+ 0.000/- 0.020)
PMOMS0820832031 832 0.292 - 0.332 0.100* (ref.) 0.126 - 0.152 0.045 - 0.054 0.072 - 0.088 0.312 (+ 0.000/- 0.020)
PMOMS0820832037 832 0.292 - 0.332 0.100* (ref.) 0.126 - 0.152 0.045 - 0.054 0.072 - 0.088 0.375 (+ 0.000/- 0.020)
PMOMS0820832043 832 0.292 - 0.332 0.100* (ref.) 0.126 - 0.152 0.045 - 0.054 0.072 - 0.088 0.437 (+ 0.000/- 0.020)
PMOMS0820832050 832 0.292 - 0.332 0.100* (ref.) 0.126 - 0.152 0.045 - 0.054 0.072 - 0.088 0.500 (+ 0.000/- 0.020)
PMOMS0820832056 832 0.292 - 0.332 0.100* (ref.) 0.126 - 0.152 0.045 - 0.054 0.072 - 0.088 0.562 (+ 0.000/- 0.030)
PMOMS0820832062 832 0.292 - 0.332 0.100* (ref.) 0.126 - 0.152 0.045 - 0.054 0.072 - 0.088 0.625 (+ 0.000/- 0.030)
PMOMS0820832075 832 0.292 - 0.332 0.100* (ref.) 0.126 - 0.152 0.045 - 0.054 0.072 - 0.088 0.750 (+ 0.000/- 0.020)
PMOMS0820832100 832 0.292 - 0.332 0.100* (ref.) 0.126 - 0.152 0.045 - 0.054 0.072 - 0.088 1.000 (+ 0.000/- 0.030)
PMOMS0820832125 832 0.292 - 0.332 0.100* (ref.) 0.126 - 0.152 0.045 - 0.054 0.072 - 0.088 1.250 (+ 0.000/- 0.060)
PMOMS0821024050 1024 0.340 - 0.385 0.116* (ref.) 0.148 - 0.176 0.050 - 0.060 0.084 - 0.103 0.500 (+ 0.000/- 0.020)
PMOMS0821024075 1024 0.340 - 0.385 0.116* (ref.) 0.148 - 0.176 0.050 - 0.060 0.084 - 0.103 0.750 (+ 0.000/- 0.030)
PMOMS0821024100 1024 0.340 - 0.385 0.116* (ref.) 0.148 - 0.176 0.050 - 0.060 0.084 - 0.103 1.000 (+ 0.000/- 0.030)
PMOMS0821024125 1024 0.340 - 0.385 0.116* (ref.) 0.148 - 0.176 0.050 - 0.060 0.084 - 0.103 1.250 (+ 0.000/- 0.060)
PMOMS0821032050 1032 0.340 - 0.385 0.116* (ref.) 0.148 - 0.176 0.050 - 0.060 0.084 - 0.103 0.500 (+ 0.000/- 0.020)
PMOMS0821032075 1032 0.340 - 0.385 0.116* (ref.) 0.148 - 0.176 0.050 - 0.060 0.084 - 0.103 0.750 (+ 0.000/- 0.030)
PMOMS0821032087 1032 0.340 - 0.385 0.116* (ref.) 0.148 - 0.176 .050 - .060 0.084 - 0.103 0.875 (+ 0.000/- 0.030)
PMOMS0821032100 1032 0.340 - 0.385 0.116* (ref.) 0.148 - 0.176 0.050 - 0.060 0.084 - 0.103 1.000 (+ 0.000/- 0.030)
PMOMS0821032125 1032 0.340 - 0.385 0.116* (ref.) 0.148 - 0.176 0.050 - 0.060 0.084 - 0.103 1.250 (+ 0.000/- 0.060)
PMOMS0821032150 1032 0.340 - 0.385 0.116* (ref.) 0.148 - 0.176 0.050 - 0.060 0.084 - 0.103 1.500 (+ 0.000/- 0.060)
PMOMS0822520025 1/4-20 0.452 - 0.507 0.153* (ref.) 0.197 - 0.232 0.064 - 0.075 0.112 - 0.136 0.250 (+ 0.000/- 0.030)
PMOMS0822520050 1/4-20 0.452 - 0.507 0.153* (ref.) 0.197 - 0.232 0.064 - 0.075 0.112 - 0.136 0.500 (+ 0.000/- 0.030)
PMOMS0822520062 1/4-20 0.452 - 0.507 0.153* (ref.) 0.197 - 0.232 0.064 - 0.075 0.112 - 0.136 0.625 (+ 0.000/- 0.030)
PMOMS0822520075 1/4-20 0.452 - 0.507 0.153* (ref.) 0.197 - 0.232 0.064 - 0.075 0.112 - 0.136 0.750 (+ 0.000/- 0.030)
PMOMS0822520087 1/4-20 0.452 - 0.507 0.153* (ref.) 0.197 - 0.232 0.064 - 0.075 0.112 - 0.136 0.875 (+ 0.000/- 0.030)
PMOMS0822520100 1/4-20 0.452 - 0.507 0.153* (ref.) 0.197 - 0.232 0.064 - 0.075 0.112 - 0.136 1.000 (+ 0.000/- 0.030)
PMOMS0822520125 1/4-20 0.452 - 0.507 0.153* (ref.) 0.197 - 0.232 0.064 - 0.075 0.112 - 0.136 1.250 (+ 0.000/- 0.060)
PMOMS0822520150 1/4-20 0.452 - 0.507 0.153* (ref.) 0.197 - 0.232 0.064 - 0.075 0.112 - 0.136 1.500 (+ 0.000/- 0.060)
PMOMS0822520175 1/4-20 0.452 - 0.507 0.153* (ref.) 0.197 - 0.232 0.064 - 0.075 0.112 - 0.136 1.750 (+ 0.000/- 0.060)
PMOMS0822520200 1/4-20 0.452 - 0.507 0.153* (ref.) 0.197 - 0.232 0.064 - 0.075 0.112 - 0.136 2.000 (+ 0.000/- 0.060)
PMOMS0822520250 1/4-20 0.452 - 0.507 0.153* (ref.) 0.197 - 0.232 0.064 - 0.075 0.112 - 0.136 2.500 (+ 0.000/- 0.090)
PMOMS0820632200 632 0.244 - 0.279 0.083* (ref.) 0.105 - 0.128 0.039 - 0.048 0.060 - 0.074 2.000 (+ 0.000/- 0.060)



APEX FASTENERS, Inc - 15858 Business Center Drive - Irwindale, CA 91706 USA
APEX Fasteners supplies standard and custom screws, nut retainers, shoulder screws, plastites and taptites, all types of rivets, spring steel fasteners and special stampings, sems screws in standard, fractional or metric to electronics, aviation and other OEM industries worldwide. ApexFasteners.com custom manufactures screw machine components for electronic enclosure hardware as well as cold forming and cold headed specials for assembly and production requirements.
Tel: (626) 962-2219 - info@apexfasteners.com
Copyright © 2026 Apex Fasteners. Designed by Pope Productions