Contact Apex Fasteners

APEX offers full-service design, engineering and manufacturing to your specifications. Our custom fasteners have enjoyed great success supplying all types and sizes of businesses in most sectors of industry.
Contact Apex Fasteners with your hardware requirements

Authorized Distributor for:

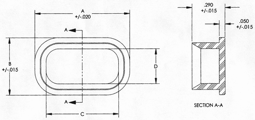
Port Cover

PortCoverDw.gif

Port Covers are available in black Polyethylene. Used to cover 15 pin female COM and Video ports to prevent damage from foreign materials. Part does not have to be oriented to the angled side wall of the port.

Product Number Description
A
B
C D
PMPPC15 15 Pin Female Port Cover
0.825 (+/- 0.020)
0.488 (+/- 0.015)
0.632 (+/- 0.008)
0.297 (+/- 0.005)
PMPPC09 9 Pin Male Port Cover
0.850 (+/- 0.020)
0.550 (+/- 0.015)
0.690 (+/- 0.008)
0.350 (+/- 0.005)


APEX FASTENERS, Inc - 15858 Business Center Drive - Irwindale, CA 91706 USA
APEX Fasteners supplies standard and custom screws, nut retainers, shoulder screws, plastites and taptites, all types of rivets, spring steel fasteners and special stampings, sems screws in standard, fractional or metric to electronics, aviation and other OEM industries worldwide. ApexFasteners.com custom manufactures screw machine components for electronic enclosure hardware as well as cold forming and cold headed specials for assembly and production requirements.
Tel: (626) 962-2219 - info@apexfasteners.com
Copyright © 2026 Apex Fasteners. Designed by Pope Productions